Lorsqu’un constructeur de ventilateurs répond le plus souvent à des devis pour lesquels les valeurs de débit et de pression demandées sont importantes, ou que les machines doivent être conçues sur base d’un cahier des charges précis, il ne lui est plus possible de regrouper l’ensemble de sa gamme dans un simple catalogue, car celui-ci prendrait une taille encyclopédique.
On fait alors référence à l’essai préalable d’un prototype dont la roue a un diamètre de 800 à 1000 mm, sur base duquel on dimensionne des machines de tailles diverses en faisant varier toutes les dimensions dans la même proportion (largeur de roue, de volute …), en conservant une forme et un nombre de pales identiques, une même spirale de volute etc…. Il est évident qu’il y a lieu de mettre au point plusieurs prototypes représentant chacun une famille de ventilateurs, pour répondre à la diversité des rapports débit/pression demandés par le marché.

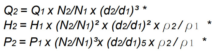
Selon les valeurs demandées de débit et de pression on appliquera ensuite les lois des ventilateurs (appelées aussi règles de similitude ou encore, lois d’homothétie) pour déterminer la taille que devra prendre la machine pour les rencontrer.
Dès lors, sans entrer dans de compliqués détails, au sein d’une même famille de ventilateurs, les valeurs de débit (Q), de pression (H) et de puissance (P) varieront comme suit, lorsque l’on passe d’un diamètre de roue d1 à d2, d’une vitesse de rotation N1 à N2 et/ou d’une masse volumique de l’air de p1 à p2 :

La détermination de la courbe du prototype se fait sur un banc d’essai défini par une norme décrivant le banc et la procédure à appliquer. Historiquement, chaque pays a longtemps utilisé sa propre norme, raison pour laquelle les constructeurs font référence à une DIN, une NF, une NBN etc…
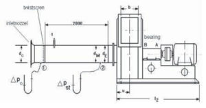
A titre d’exemple, nous décrivons ici brièvement la DIN 24163 qui a pour avantage de permettre l’essai de grands ventilateurs en ateliers, avant expédition, lorsque cet essai est exigé par le client.
Le banc est constitué par une gaine placée à l’aspiration du ventilateur, équipée d’un cône d’aspiration calibré et d’un croisillon contre lequel seront successivement plaqués des grillages métalliques à maille de plus en plus serrée (” twistscreen “) qui simuleront une perte de charge de plus en plus importante. Ainsi, on pourra se déplacer en divers points de la courbe du ventilateur. Une prise de pression statique Dp0 donnera une image du débit, tandis que Dpst indiquera la pression statique à l’entrée du ventilateur.
Outre ces valeurs, seront bien sûr mesurés la vitesse, le courant absorbé, la température et la pression
atmosphérique au cours de l’essai.
En s’épargnant les détails pour la clarté de l’exposé, on trouve ce qui suit pour chaque point de fonctionnement obtenu par application d’un grillage à maille définie.
